Durites pour JCB

Durites pour JCB C'è 1 prodotto.

  • 360,00 € HT 400,00 €
    Produzione in corso, consegna a domicilio entro 12 settimane
    -10%
    durites-pour-jcb

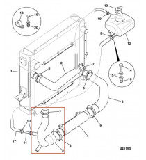
    Manicotto silicone alte prestazioni per sollevatore telescopico JCB TM 300, riferimento schema tecnico 441150 posizione 5. Costruzione VMQ 4 strati rinforzata poliestere, resistenza -50°C a +180°C. Sostituzione diretta circuito raffreddamento senza modifiche. Garanzia a vita. Stock permanente, spedizione 24h in tutta Europa.

    360,00 € 400,00 €
    Prezzi ridotti!
    Produzione in corso, consegna a domicilio entro 12 settimane
Mostrando 1 - 1 di 1 articolo

Tubi Silicone JCB - Macchine Cantiere, Terne, Telescopici

I tubi silicone JCB REDOX sono tubazioni alte prestazioni VMQ 4-5 strati progettati per macchine movimento terra JCB. Resistenza termica -50°C a +180°C, pressione servizio 4-5 bar. Compatibile tutti modelli JCB dal 1953.

Stock e spedizione rapida garantiti: Stock permanente riferimenti JCB comuni (TM 300 disponibile). Ordine entro ore 17 = spedizione stesso giorno. Consegna GLS 24-48h Italia. Produzione su misura 6 settimane per riferimenti specifici.

Applicazioni JCB compatibili: Terne (2CX, 3CX, 4CX), telescopici (525, 530, 535, 540 serie), trattori Fastrac, miniescavatori, pale gommate, gruppi elettrogeni. Circuiti raffreddamento motore, idraulica alta pressione, turbo diesel, aspirazione aria.

Caratteristiche tecniche certificate: Silicone VMQ rinforzato poliestere, produzione manuale per avvolgimento, vulcanizzazione forno alta temperatura. Spessore 4mm (3 strati) standard o 5mm (4 strati) rinforzato. Resistente olio idraulico, gasolio, refrigerante.

Soluzioni disponibili: Tubi standard diametri 6-152mm al metro Tubi preformati riferimenti JCB Produzione su misura tutte forme Fascette inox rinforzate Servizio identificazione ricambi gratuito

Azienda francese dal 2010, specialista macchine cantiere. Supporto tecnico disponibile. Preventivo su misura 48h.

FAQ JCB - Domande Frequenti

Quali modelli JCB copre REDOX? Copriamo tutte le macchine JCB: terne serie 2, 3C, 3CX, 4CX, telescopici 520-540, trattori Fastrac, miniescavatori. Riferimento JCB TM 300 in stock permanente. Per altri modelli: produzione su misura 6 settimane con campione o quote esatte. Servizio identificazione gratuito da numero serie macchina.

Qual è la resistenza dei tubi per macchine cantiere? I nostri tubi VMQ resistono -50°C a +180°C continuo, pressione servizio 4-5 bar secondo spessore. Compatibile fluidi idraulici ISO VG 32-68, gasolio EN590, refrigeranti glicole. Resistenza vibrazioni e UV garantita. Durata 10 volte superiore gomma EPDM originale. Certificazione materiali disponibile.

Come ordinare un tubo JCB specifico? Tre opzioni: 1) Riferimento JCB originale per identificazione. 2) Campione fisico per riproduzione esatta (precisione ±1mm). 3) Disegno tecnico o modello 3D. Ordine minimo 1 pezzo. Preventivo gratuito 48h. Conservazione stampo 10 anni per riordini.

I tubi sono adatti per condizioni cantiere? Assolutamente. Progetto speciale macchine cantiere: resistenza abrasione esterna, protezione UV integrata, flessibilità -50°C per avviamento invernale, tenuta pressione idraulica. Compatibile ambienti polverosi, fangosi, salini. Usati nei cantieri dal 2010.